欢迎来到浙江共合实业有限公司官网!

热线电话:400-079-6575

销售热线:0571-85261897

技术咨询:15005815665

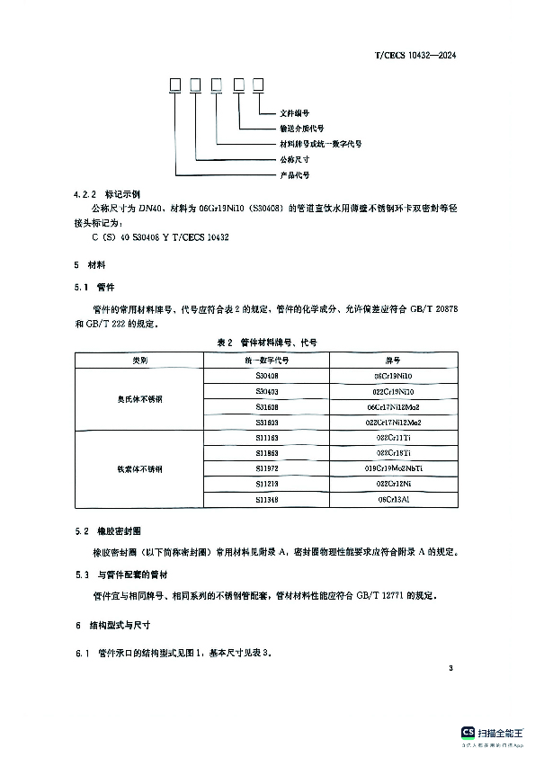
邮箱:1104409850@qq.com

您当前所在位置 : 网站首页 新闻中心 技术文档

《薄壁不锈钢环卡双密封管件》CECS10432-2024

发布时间:2025-12-16 浏览次数:645

热线电话

400-079-6575

在线QQ

公众号

微信公众号

关注微信公众号

销售号

公司销售号

微信销售号

抖音号

抖音二维码

抖音号

顶部